Ehk on abiksugandiklubi kirjutas:Teab keegi panzerfaust 30 klain ,stabilisaatori mõõtmeid ??????????
Panzerfaust
Re: Panzerfaust
-
ugandiklubi
- Huviline
- Postitusi: 159
- Liitunud: R Sept 23, 2005 9:15 pm
- Asukoht: TARTU
Re: Panzerfaust
- desert eagle
- Huviline
- Postitusi: 609
- Liitunud: P Juul 16, 2006 2:28 pm
- Asukoht: Tallinn
Re: Panzerfaust
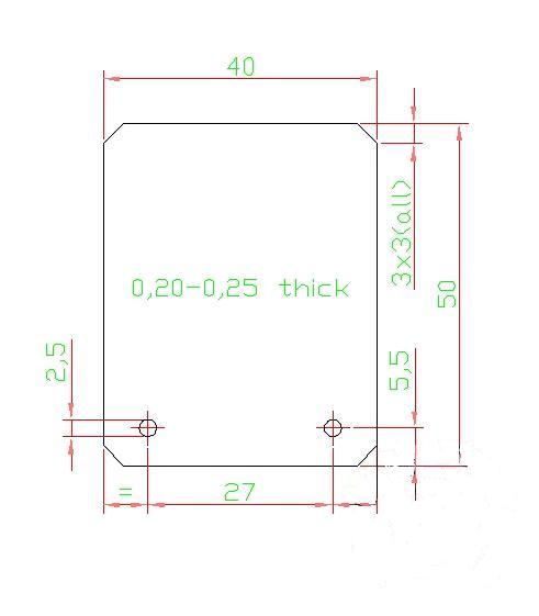
Mis mõõtudega on Faustpatrone 30 ja 60 plekist stabikalabad.Kunagi teadsin neid mõõte aga enam ei mäleta.
-
funker
Re: Panzerfaust
Natuke pilte, valmistamisest 1945 aasta ajakirjast ja punaste poolset poosetamist.
http://frontovik.org/tretij-rejh-german ... aust-1291/
http://frontovik.org/tretij-rejh-german ... aust-1291/